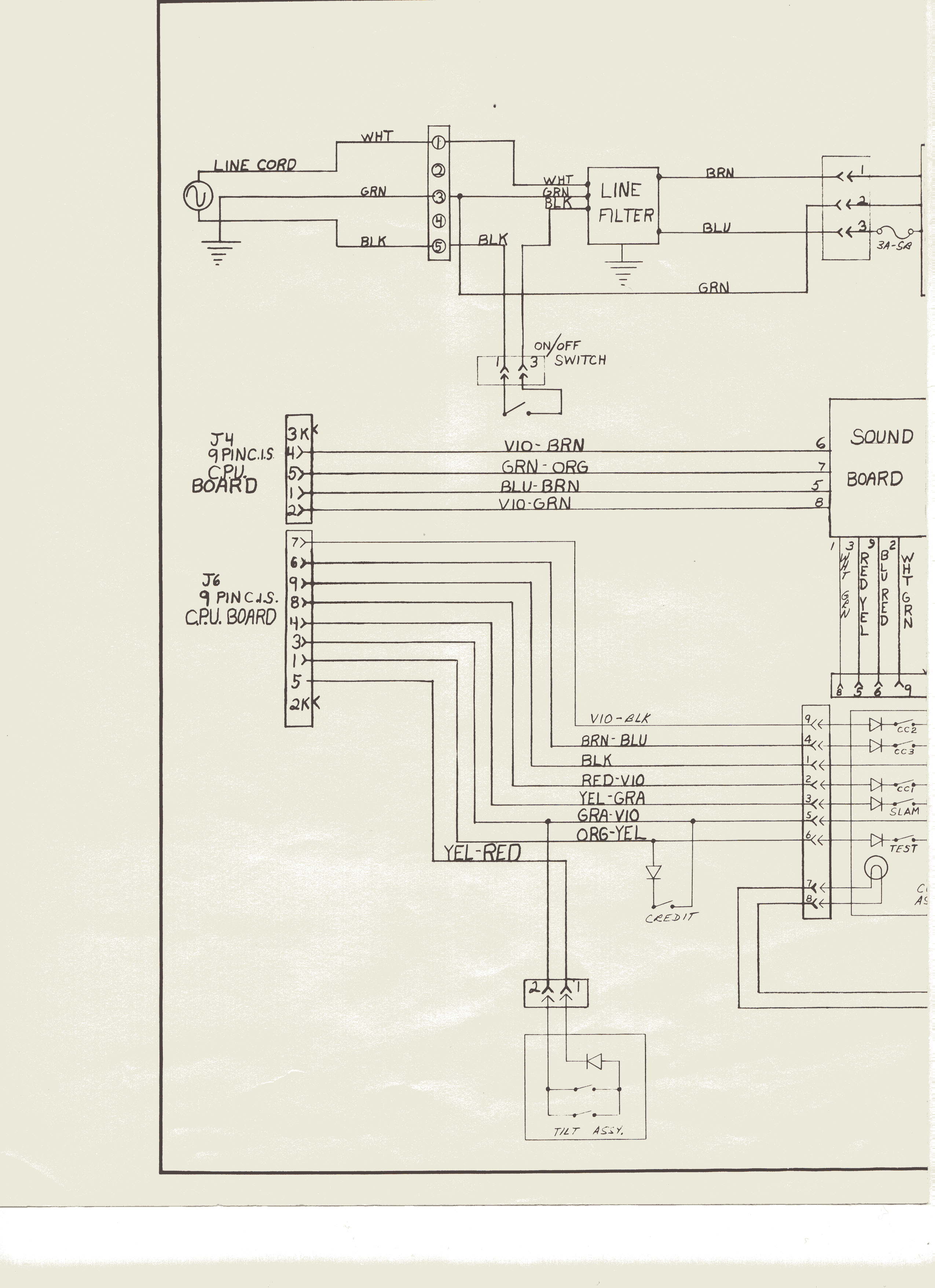
CABLEHARNESSL

Previous

Next

Select Page

Click on image to see full resolution





Schematics